RKK 125 Rückschlagklappe in das Rohr mit dem Durchmesser von 120 mm. Die Klappe wird aus stoßfestem Kunststoff mit der "Schmetterlingsausführung" hergestellt. Sie soll nur in waagerechtem Rohr mit der Achse von Klappen in vertikaler Lage installiert werden.
ZN 708 Zeitrelais
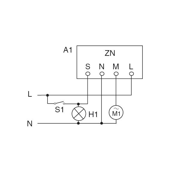
ZN 708 ist ein Gerät, das für die Abschaltverzögerung von Axial- und Radialventilatoren bestimmt ist. Die Dauer der Nachlaufzeit ist fest bestimmt auf circa 7 min. (± 1 min). Der Einschalter wird durch den Schalter von Innenraumbeleuchtung oder durch den Knopf gesteuert.
Technische Parameter:
• fest eingestellte Zeit
• er ist in einem Plastikgehäuse integriert, das unter Schalter platziert werden kann
• Nachlaufintervall Typ 708 – 7±1 Minute (geeignet für WC)
• Nachlaufintervall Typ 715 – 15±1 Minute (geeignet für Badezimmer)
Eigenschaften
| Spannung | 230/50 V/Hz | |
| Abmessungen | 40 x 20 x 13 (HxBxT) mm | |
| Strom | 0,8 A | |
| Schutzart, Motor | IP20 | |
| Max. Umgebungstemperatur | 0-50 °C |
Zum Herunterladen
-
- ZN 715 - Betriebsanleitung ( 268.88 KB) Herunterladen