RD 125 Instabox ist ein Revisionsstück für die Verbindung von Spiro-Rohren, Formstücken und Schläuchen. Es kann auch für den einfacheren Service der Rückschlagklappe RSKW benutzt werden.
XRH - einstellbarer Feuchtigkeitssensor
Hersteller: Applied Energy
- automatische Einschaltung des Ventilators bei Überschreitung von eingestellter Werte der relativen Feuchtigkeit
- Automatische Abschaltung des Ventilators bei Rückgang der relativen Feuchtigkeit unter eingestelltem Niveau
- Einschaltung und Abschaltung durch Zugstange (Schnur)
- LED Kontrollleuchte von Lauf des Ventilators
- Oberflächen- oder versenkte Montage
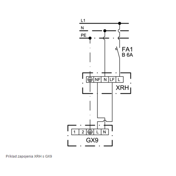
Geeignet für Ventilatoren: DX100, DX180 Premier, DX200 Premier, DX400 Premier, CMF, GX6, GX9, GX12, WX6, WX9, WX12
Eigenschaften
Abmessungen | 86 x 160 x 45 (HxBxT) mm | |
Spannung | 220-240 V | |
Frequenz | 50 Hz | |
Strom | 2 A | |
Max. Umgebungstemperatur | do 40 °C |
Empfehlungen für Sie
Im Warenkorb
Im Warenkorb
Im Warenkorb
Im Warenkorb
Im Warenkorb
Im Warenkorb
Im Warenkorb
Im Warenkorb
Im Warenkorb
Im Warenkorb